ГОСТ 2.001-2013 Основные положения
ГОСТ 2.301-68 Форматы
ГОСТ 2.104-2006 Основные надписи
ГОСТ 2.302-68 Масштабы
ГОСТ 2.303-68 Линии
ГОСТ 2.304-81 Шрифты чертежные
ГОСТ 2.306-68. Обозначения графические материалов и правила их нанесения на чертежах
2.57M
Category: draftingdrafting

1_Лекция_Форматы

1. ГОСТ 2.001-2013 Основные положения

• Настоящий стандарт устанавливает
назначение, область распространения,
классификацию и правила обозначения
межгосударственных стандартов, входящих
в комплекс стандартов Единой системы
конструкторской документации, а также
порядок их внедрения

2.

• 3.1.7. Графический документ –
конструкторский документ, содержащий в
основном графическое изображение
изделия и/или его составных частей,
отражающее взаимное расположение и
функционирование этих частей, их
внутренние и внешние связи.
• Примечание – к графическим
конструкторским документам относят
чертежи, схемы, электронные модели
изделия и его составных частей

3.

• 3.1.8. Текстовый документ –
конструкторский документ, содержащий в
основном сплошной текст или текст,
разбитый на графы.
• Примечание – к текстовым
конструкторским документам относят
спецификации, технические условия,
ведомости, таблицы

4.

• 3.1.10. Электронный конструкторский
документ – конструкторский документ,
выполненный программно-техническим
средством на электронном носителе.

5.

• 4.1. ЕСКД – комплекс стандартов,
устанавливающих взаимосвязанные
правила, требования и нормы по
разработке, оформлению и обращению
конструкторской документации,
разрабатываемой и применяемой на всех
стадиях жизненного цикла (ЖЦ) изделия.

6.

• 6.1. Межгосударственные стандарты ЕСКД
распределяют по классификационным
группам, приведенным в таблице:

7. ГОСТ 2.301-68 Форматы

• 1. Настоящий стандарт устанавливает
форматы листов чертежей и других
документов, выполненных в электронной и
(или) бумажной форме, предусмотренных
стандартами
на
конструкторскую
документацию
всех
отраслей
промышленности и строительства.

8.

• 2.
Форматы
листов
определяются
размерами внешней рамки.
• 3. Формат с размерами сторон 1189×841
мм, площадь которого = 1 м2, и другие
форматы,
полученные
путем
последовательного деления его на две
равные части параллельно меньшей
стороне
соответствующего
формата,
принимаются за основные.

9.

• 4. Обозначения и размеры сторон основных
форматов должны соответствовать
указанным в таблице.
• При необходимости допускается применять
формат А5 с размерами сторон 148×210 мм.
841×1189
594×841
420×594
297×420
210×297

10.

5. Допускается применение дополнительных
форматов, образуемых увеличением коротких
сторон основных форматов на величину,
кратную их размерам.
Задание. Записать размеры сторон дополнительных форматов:
А3×3 = 420×891
А2×5 = 594×2102
А4×4 = 297×841

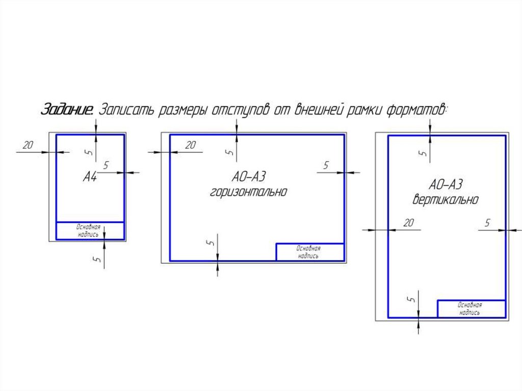
11. ГОСТ 2.104-2006 Основные надписи

• Настоящий стандарт устанавливает формы,
размеры, номенклатуру реквизитов и
порядок заполнения основной надписи и
дополнительных граф к ней в
конструкторских документах,
предусмотренных стандартами Единой
системы конструкторской документации

12.

13. ГОСТ 2.302-68 Масштабы

• Настоящий стандарт устанавливает масштабы
изображений и их обозначение на чертежах
всех отраслей промышленности и
строительства
• масштабы уменьшения 1:2; 1:2,5; 1:4; 1:5; 1:10;
1:15; 1:20; 1:25; 1:40; 1:50; 1:75; 1:100; 1:200;
1:400; 1:500; 1:800; 1:1000
• натуральная величина 1:1
• масштабы увеличения 2:1; 2,5:1; 4:1; 5:1; 10:1;
20:1; 40:1; 50:1; 100:1

14. ГОСТ 2.303-68 Линии

• Настоящий стандарт устанавливает начертания
и основные назначения линий на чертежах
всех отраслей промышленности и
строительства, выполняемых в бумажной и
(или) электронной форме.
• Толщина сплошной основной линии
s = 0,5…1,4 мм.

15.

16.

• Штрихпунктирные линии должны
пересекаться и заканчиваться штрихами.
• Штрихпунктирные линии, применяемые в
качестве центровых, следует заменять
сплошными тонкими линиями, если
диаметр окружности или размеры других
геометрических фигур в изображении
составляют менее 12 мм.

17. ГОСТ 2.304-81 Шрифты чертежные

• Настоящий стандарт устанавливает
чертежные шрифты, наносимые на чертежи
и другие технические документы всех
отраслей промышленности и строительства

18.

• Размер шрифта h – величина, определенная
высотой прописных букв в миллиметрах.
• Толщина линии d шрифта типа А равна 1/14 h
• Толщина линии d шрифта типа Б равна 1/10 h
• Устанавливаются следующие размеры
шрифта: (1,8); 2,5; 3,5; 5; 7; 10; 14; 20; 28; 40.
• Применение шрифта размером 1,8 не рекомендуется
и допускается только для типа Б

19.

3
5
6
(10/10)h
10d
(7/10)h
7d
(2/10)h
2d
(6/10)h
6d
(17/10)h
17d
(1/10)h
d
7
8
6
7
4
5

20.

21.

22.

23. ГОСТ 2.306-68. Обозначения графические материалов и правила их нанесения на чертежах

• Настоящий
стандарт
устанавливает
графические обозначения материалов в
сечениях и на фасадах, а также правила
нанесения их на чертежи всех отраслей
промышленности и строительства

24.

• 5.
Наклонные
параллельные
линии
штриховки должны проводиться под углом
45° к линии контура изображения (а) или к
его оси (б), или к линиям рамки чертежа.

25.

• Если линии штриховки, приведенные к
линиям рамки чертежа под углом 45°,
совпадают по направлению с линиями
контура или осевыми линиями, то вместо угла
45° следует брать угол 30° или 60° (в, г)

26.

• 6. Расстояние между параллельными
прямыми линиями штриховки (частота)
должно быть, как правило, одинаковым для
всех выполняемых в одном и том же
масштабе сечений данной детали и должно
быть от 1 до 10 мм в зависимости от
площади штриховки

27.

• 10. Для смежных сечений двух деталей
следует брать наклон линий штриховки для
одного сечения вправо, для другого – влево
(встречная штриховка).

28.

Задание. Выполнить штриховку на изображениях в
зависимости от материала:
English     Русский Rules