Информационно – вычислительная система
Двоичное представление чисел без знака
Знаковое представление
Изменение знака числа (дополнительный код)
Признак AV
Информационно – вычислительная система
Запоминающие устройства
КР580ВМ80 = I8080
КР580ВМ80 = I8080
PIC контроллеры
МК51/52
1882BM1T
AVR
ARM
Прерывание PowerDown
Концепция загружаемой платформы
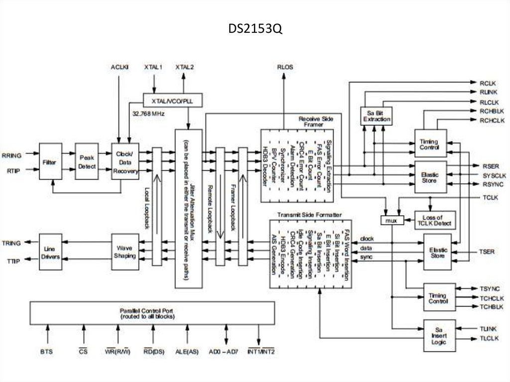
DS2153Q
Схема включения
Временные диаграммы
Элвис
Архитектура
Операционное устройство
Цифровая техника
Запоминающие устройства
D-триггер
Регистр
ЗУ
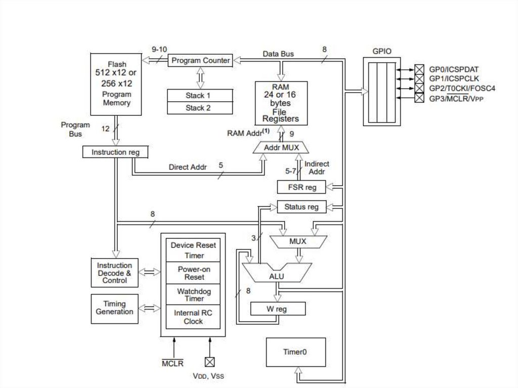
PIC контроллеры
PIC контроллеры
PIC контроллеры
МК51/52
МК51/52 Atmel
МК51/52 Philips
МК51/52 Philips
МК51/52 Dallas Semiconductor
МК51/52 Dallas Semiconductor
Микроконтроллер 87С51
Архитектура процессора
Цоколевка
Минимальная схема включения
Резидентное ОЗУ данных
Операции пересылок
Команды пересылки
Операции внешних пересылок
Слово состояния процессора
Сложение многобайтовых слов
Сдвиговые операции
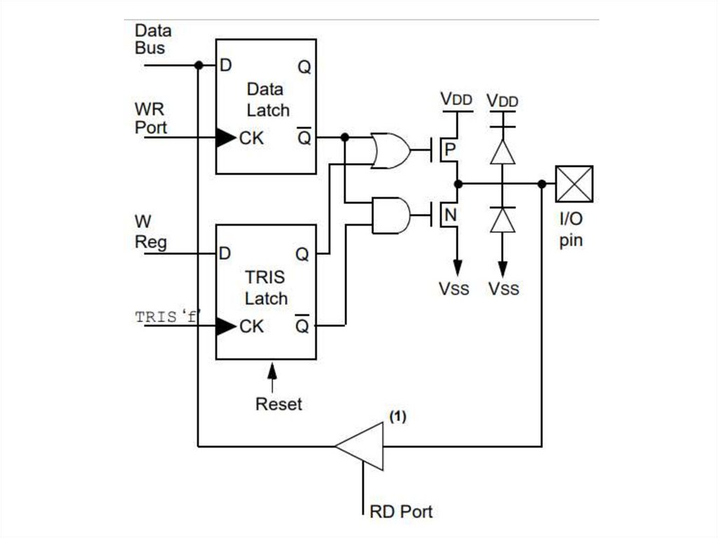
Линии портов
Прерывания
Внешние прерывания
Противодребезг контакта
Таймеры, режимы 0, 1 и 2
Таймер Т/С0, режим 3
Форматы передачи последовательного порта
Вопросы?\ sss@mtuci.ru
45.30M
Category: informaticsinformatics

Микропроцессорная техника в инфокоммуникациях

1.

Микропроцессорная техника в
инфокоммуникациях
6-й семестр

2.

Микропроцессорная
техника

3. Информационно – вычислительная система

4. Двоичное представление чисел без знака

5.

6. Знаковое представление

7. Изменение знака числа (дополнительный код)

8. Признак AV

9. Информационно – вычислительная система

10.

11. Запоминающие устройства

12. КР580ВМ80 = I8080

13. КР580ВМ80 = I8080

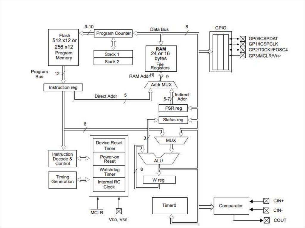
14. PIC контроллеры

15. МК51/52

16. 1882BM1T

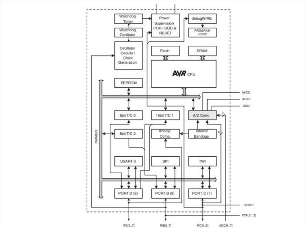
17. AVR

18.

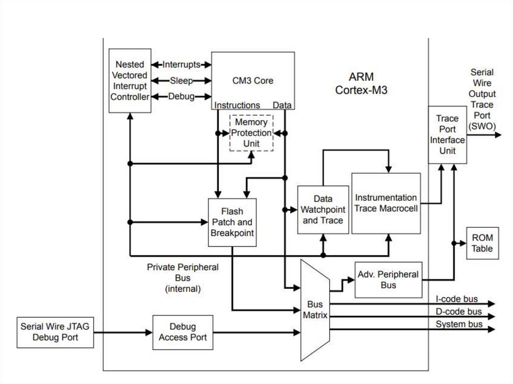
19. ARM

20.

21. Прерывание PowerDown

22. Концепция загружаемой платформы

23. DS2153Q

24. Схема включения

25. Временные диаграммы

26. Элвис

27.

28. Архитектура

29. Операционное устройство

30. Цифровая техника

0 → U ≤ 0.4 B
1 → U ≥ 2.4 B
хх по входу = 1

31. Запоминающие устройства

32. D-триггер

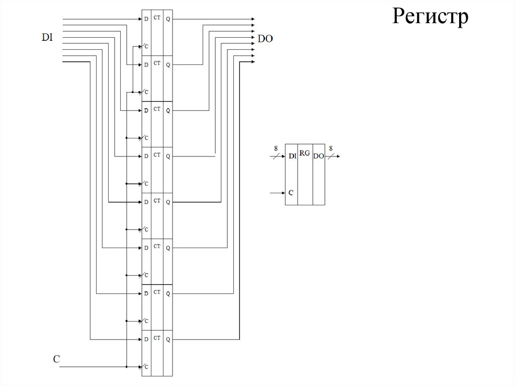
33. Регистр

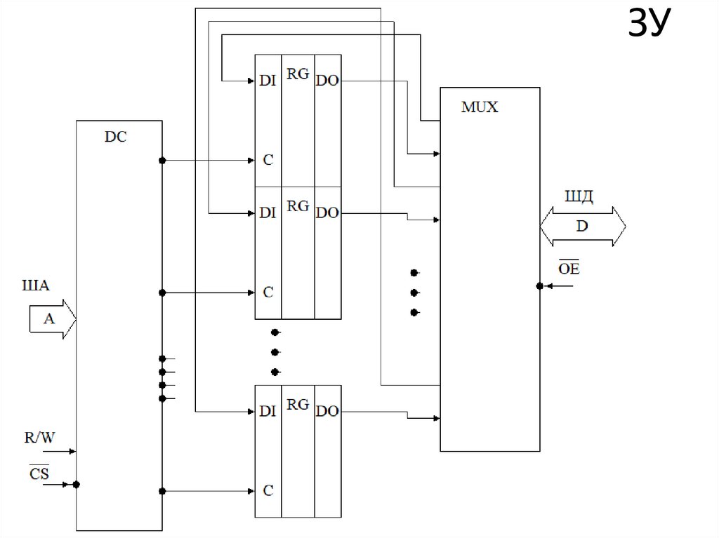
34. ЗУ

35. PIC контроллеры

36. PIC контроллеры

37. PIC контроллеры

38.

39.

40.

41.

42.

43.

44.

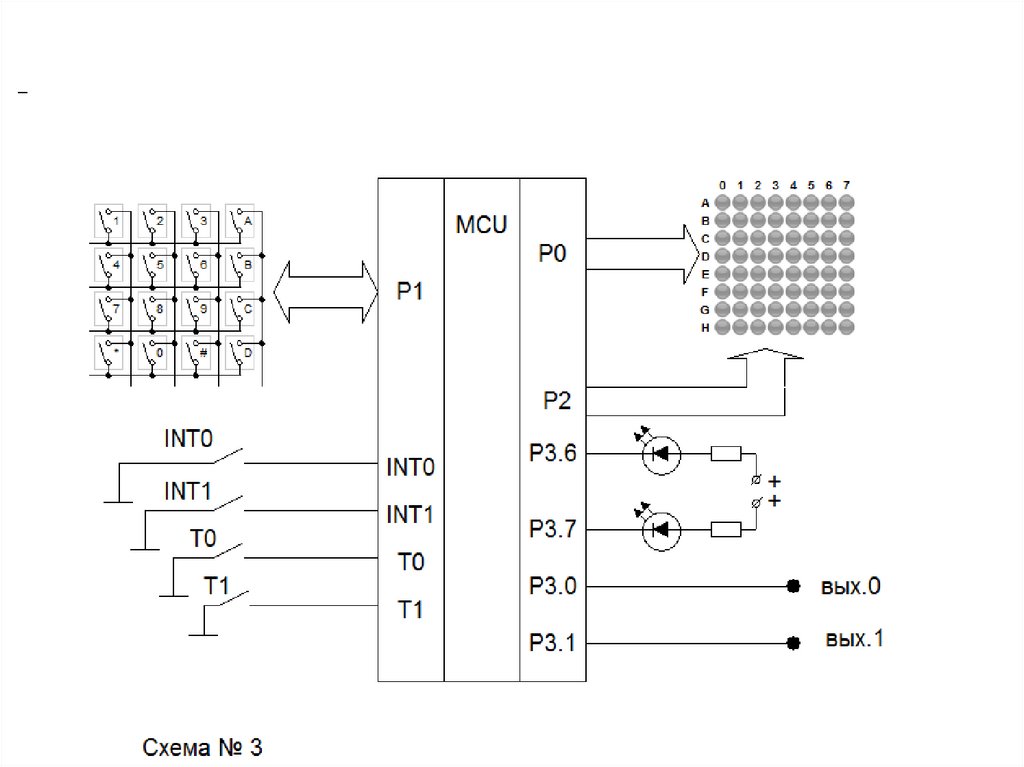
45. МК51/52

46. МК51/52 Atmel

47. МК51/52 Philips

48. МК51/52 Philips

49. МК51/52 Dallas Semiconductor

50. МК51/52 Dallas Semiconductor

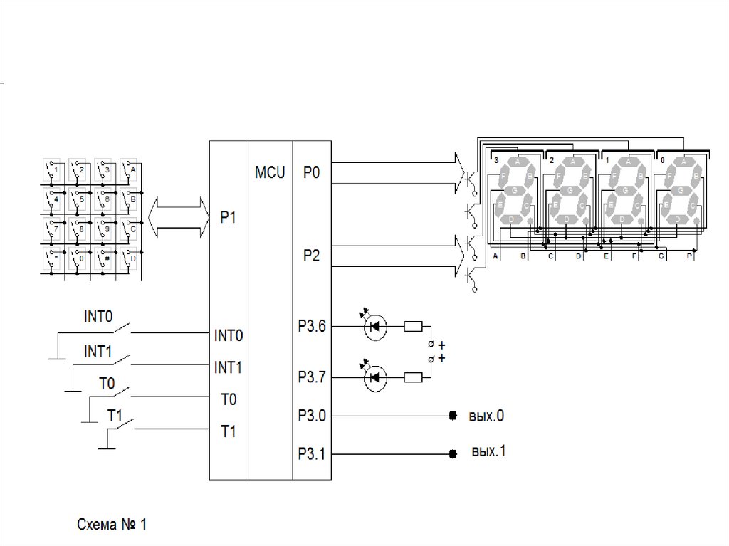
51. Микроконтроллер 87С51

52. Архитектура процессора

53. Цоколевка

54. Минимальная схема включения

55. Резидентное ОЗУ данных

56. Операции пересылок

Мнемокод
MOV A,Rn
MOV A, ad
MOV A, @Ri
MOV A,#d
MOV Rn, A
MOV Rn, ad
MOV Rn, #d
MOV ad, A
MOV ad, Rn
MOV add, ads
MOV ad, @Ri
MOV ad,#d
MOV @Ri, A
MOV @Ri, ad
MOV @Ri, #d
MOV DPTR, #d16
Б
1
2
1
2
1
2
2
2
2
3
2
3
1
2
2
3
Ц
1
1
1
1
1
2
1
1
2
2
2
2
1
2
1
2
Операция
( A)
← (Rn)
( A)
← (ad)
(A)
← ((Ri))
(A)
← #d
(Rn) ← (A)
(Rn) ← (ad)
(Rn) ← #d
(ad)
← (A)
(ad)
← (Rn)
(add) ← (ads)
(ad)
← ((Ri))
(ad)
← #d
((Ri)) ← (A)
((Ri)) ← (ad)
((Ri)) ← #d
(DPTR) ← #d16
Мнемокод
XCH A, Rn
XCH A, ad
XCH A, @Ri
Б
1
2
1
Ц
1
1
1
Операция
(A) ↔ (Rn)
(A) ↔ (ad)
(A) ↔ ((Ri))

57. Команды пересылки

58. Операции внешних пересылок

Мнемокод
MOVС A, @A+ DPTR
MOVC A, @A+PC
Б
1
1
Ц
2
2
MOVX
MOVX
MOVX
MOVX
1
1
1
1
2
2
2
2
A, @Ri
A, @DPTR
@Ri, A
@DPTR, A
Операция
(A)
← ((A)+(DPTR))
(PC)
← (PC)+1
(A)
← ((A)+(PC))
(A)
← ((Ri))
(A)
← ((DPTR))
((Ri))
← (A)
((DPTR)) ← (A)

59.

60. Слово состояния процессора

61. Сложение многобайтовых слов

62.

Мнемокод
Б
Ц
Операция
ANL A, Rn
1
1
(A)
← (A)
& (Rn)
ANL A, ad
2
1
(A)
← (A)
& (ad)
ANL A, @Ri
1
1
(A)
← (A)
& ((Ri))
ANL A, #d
2
1
(A)
← (A)
& #d
ANL ad, A
2
1
(ad)
← (ad) & (A)
ANL ad, #d
3
2
(ad)
← (ad) & #d
ORL A, Rn
1
1
(A)
← (A) V (Rn)
ORL A, ad
2
1
(A)
← (A) V (ad)
ORL A, @Ri
1
1
(A)
← (A) V (((Ri))
ORL A, #d
2
1
(A)
← (A) V #d
ORL ad, A
2
1
(ad)
← (ad) V (A)
ORL ad, #d
3
2
(ad)
← (ad) V #d
XRL A, Rn
1
1
(A)
← (A) (Rn)
XRL A, ad
2
1
(A)
← (A) (ad)
XRL A, @Ri
1
1
(A)
← (A)
XRL A, #d
2
1
(A)
← (A)
XRL ad, A
2
1
(ad)
← (ad) (A)
XRL ad, #d
3
2
(ad)
← (ad) #d
((Ri))
#d

63. Сдвиговые операции

С

64.

Операции с битами
Мнемокод
CLR C
CLR bit
SETB C
SETB bit
CPL C
CPL bit
ANL C, bit
ANL C, /bit
ORL C, bit
ORL C, /bit
MOV C, bit
MOV bit, C
Б
1
2
1
2
1
2
2
2
2
2
2
2
Ц
1
1
1
1
1
1
2
2
2
2
1
2
Операция
(C) ← 0
(bit) ← 0
(C) ← 1
(bit) ← 1
(C) ← (C )
(bit) ← (bit)
(C) ← (C) & (bit)
(C)
(C)
← (C) & (
English     Русский Rules