Введение
Цели
Характеристика объекта
Схема объекта
Расположение электрооборудования
Выбор схемы электроснабжения
Расчёт осветительной нагрузки
Расчёт осветительной нагрузки
Схема освещения
Расчёт силовой нагрузки
Схема монтажная силовая
Схема электрическая однолинейная
Расчёт аппаратов защиты
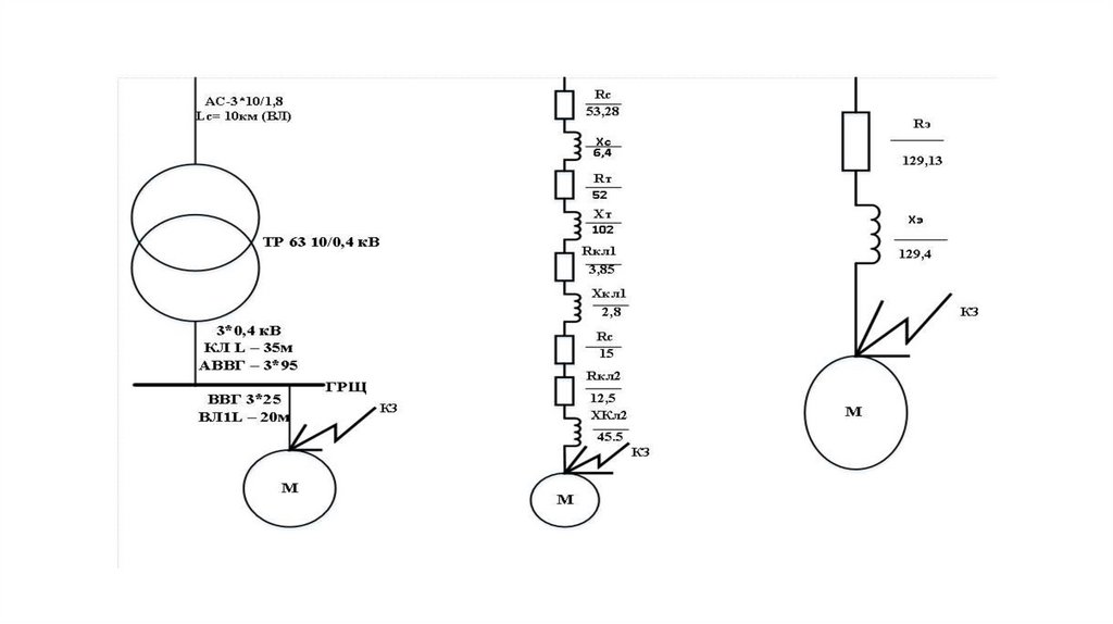
Расчёт токов короткого замыкания
Спецификация
Монтаж
Экономическая часть
Охрана труда при постоянных электрических полях
Заключение
1.32M
Category: industryindustry

Разработка и расчет схемы электроснабжения автомойки

1.

МИНИСТЕРСТВО ОБРАЗОВАНИЯ И НАУКИ АРХАНГЕЛЬСКОЙ
ОБЛАСТИ
Государственное автономное профессиональное образовательное
учреждение Архангельской области
«КОТЛАССКИЙ ЭЛЕКТРОМЕХАНИЧЕСКИЙ ТЕХНИКУМ»
(ГАПОУ АО «КЭМТ»)
Дипломная работа
На тему:
Разработка и расчет схемы электроснабжения автомойки
Выполнил Зобнин Демид Юрьевич студент 4 курса 44-П группы
Специальность 08.02.09 Монтаж и наладка электрооборудования
ПГЗ
Руководитель Житов Алексей Геннадьевич

2. Введение

• Целью моей работы является разработка и монтаж схемы
электроснабжения здания автомоечного центра.
• Актуальность работы очевидна, т.к. в настоящее время в
большинстве семей есть автомобили, а в некоторых семьях более
1 автомобиля. Вследствие этого возросла и потребность в
обслуживании и чистке автомобилей, для этого необходимы
специальные оборудованные здания. А вследствие большой
стоимости автомобилей необходимы надёжные схемы
электроснабжения. Так же в процессе работы мы получим опыт
составления схем электроснабжения зданий.

3. Цели

• Дать характеристику объекта
• Выбрать электрооборудование
• Выбрать схему электроснабжения
• Провести расчёт освещённости различных помещений и выбор светильников и
ламп
• Провести расчёт силовой нагрузки
• Создать электрическую схему
• Рассчитать токи короткого замыкания и выбрать аппараты защиты
• Составить спецификацию
• Рассмотреть этапы монтажа
• Провести экономический расчёт стоимости
• Рассмотреть вопросы охраны труда

4. Характеристика объекта

Объект представляет собой одноэтажное кирпичное здание,
изображённое на рисунке 1,
Для подбора ЭО проведем характеристику объекта:
1) Категория надежности электроснабжения- III
2) Тип помещения по электробезопасности- I
Особенности тех. процесса: повышенная влажность следовательно
применяется медная проводка по требованиям ПУЭ в соответствии с
расчетной потребляемой мощностью.
По основным характеристикам объекта проведем подбор подходящего
ЭО, приведенного в таблице 1 в соответствии с требованиями ПУЭ. На
рисунке 1 представлена схема здания

5. Схема объекта

6. Расположение электрооборудования

7. Выбор схемы электроснабжения

8. Расчёт осветительной нагрузки

Расчет освещения проводим методом коэффициента использования
Для каждого помещения освещение рассчитывается отдельно, для расчетов
будем использовать формулы:
1) i = S / h * (A+B)
Где S – площадь помещения;
h – высота до рабочей поверхности;
A – длина помещения;
B – ширина помещения.
2)
English     Русский Rules