547.12K
Category: chemistrychemistry

Разделение пирогаза. Получение метано-водородистой фракции

1.

Минобрнауки РФ
ФГБОУ ВО «Самарский государственный технический университет»
Инженерно-технологический факультет
Кафедра «Газопереработка, водородные и специальные технологии»
Дипломный проект
«Разделение пирогаза. Получение метано-водородистой фракции.»
Выполнил студент 4-ИТ-106
Понамарев Андрей Андреевич

2.

Актуальность темы
Рост Энергетического
Спроса
Экологические Требования
Экономическая Выгода
Пирогаз содержит ценные
Технология помогает
утилизировать отходы. Она
снижает вредные выбросы в
окружающую среду.
Выделенные компоненты
пирогаза имеют высокую
рыночную стоимость.
Технологии очистки становятся
доступнее.
газы, такие как водород и
метан. Их можно
использовать как топливо
или сырье.
1

3.

Свойства продуктов
пиролиза
Пирогаз
Жидкая фракция
Твердый остаток
Ценное топливо. Содержит
олефины для
нефтехимической
промышленности. Требует
обязательной очистки от
агрессивных примесей.
Сырье для нефтехимической
промышленности. После
модификации применяется
как котельное топливо.
Используется для
адсорбентов. Обладает
высокой термостойкостью.
Содержит тяжелые
металлы, требующие
утилизации.
2

4.

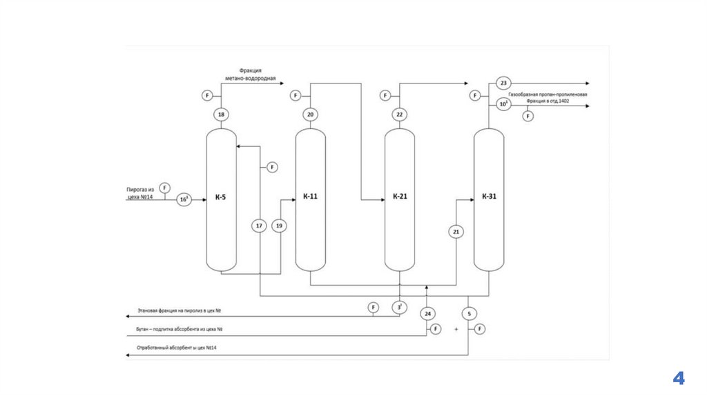
Процесс разделения состоит из
следующих стадий:
1. Абсорбция углеводородов и выделение метано-водородной фракции.
2. Выделение этан-этиленовой фракции.
3. Выделение этиленовой фракции.
4. Выделение пропан-пропиленовой фракции.
5. Получение холода с параметрами -18оС и -30оС.
6. Выделение бутилен-бутадиеновой фракции.
3

5.

4

6.

5

7.

Материальный баланс установки
6

8.

7

9.

Спасибо за внимание!
English     Русский Rules