1.06M
Category: electronicselectronics

Электронные ключи

1.

ЭЛЕКТРОННЫЕ КЛЮЧИ

2.

Под ключевым элементом или просто ключом понимается устройство, которое под
действием управляющего сигнала осуществляет коммутацию элементов схемы
(пассивных элементов и активных элементов, источников питания и других).
Ключевой элемент может находиться или в замкнутом, или в разомкнутом
состояниях.

3.

ДИОДНЫЕ КЛЮЧИе
г
I2
Диодный ключ
E1 U 0
Rг Rп Rн
E2 U 0
I3
Rг Rп Rн
I
tв б ln 1 2
I3
ег1 VD1
ег2 VD2
Упрощенная ВАХ
полупроводникового диода
ег3 VD3
ЕП
R1
UВЫХ

Е1
t
0
Е2
id
I1
I2
0
Uпр.м
Uпр.
ud
t3 t4
t
I3

tвкл.
0 t1
t
t2
Е2
Переходные процессы
в диодном ключе
U вых Eп

Rн R1

4.

ТРАНЗИСТОРНЫЕ КЛЮЧИ
Транзисторы ключевых схем могут находиться только в одном из двух возможных
состояний. Ими не обязательно являются режимы отсечки и насыщения, хотя — это
нередкий случай. Открытый ключевой транзистор может находится и в активном
режиме.
КЛЮЧИ НАПРЯЖЕНИЯ
Условие насыщения
Закрывание ключа — это подача на базу транзистора запирающего
потенциала; напряжение Uбэ должно быть в полярности, противоположной
обычной.

5.

транзистор открыт
транзистор закрыт
ПРЕОБРАЗОВАНИЕ УРОВНЕЙ
Каскадным соединением ключевых транзисторов решают две задачи:
переход от слаботочных схем к коммутации больших токов;
преобразование уровней управляющего сигнала
Правила при расчете сложных ключевых конфигураций:
1) следует четко определить, какие из транзисторов должны в
открытом состоянии быть насыщенными, а какие — оказаться в
активном режиме;

6.

2) для первых следует проверять выполнение условия насыщения
3) для закрытого состояния транзисторов проверять условие закрывания
Функции:
1. Согласование с сильноточным ключом
что много меньше чем
1. Инверсия управляющего сигнала
для насыщения VT2
для запирания VT2

7.

8.

9.

ДВУХПОЛЯРНЫЙ КЛЮЧ

10.

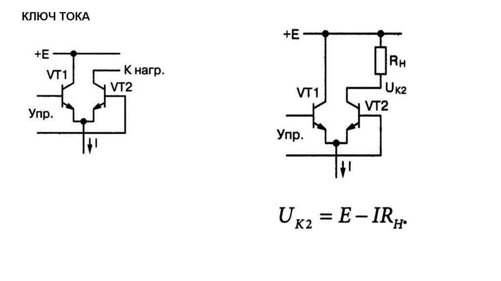
КЛЮЧ ТОКА

11.

отсутствие насыщения, чтобы ключ тока не
превратился в ключ напряжения

12.

СКОРОСТЬ ПЕРЕКЛЮЧЕНИЯ
Конечное время реакции выходной цепи ключа напряжения на коммутацию
управляющего сигнала связано:
Во-первых, с задержками момента начала изменения тока коллектора,
вызванными некоторыми физическими явлениями в транзисторе.
Во-вторых, с очевидными процессами перезаряда паразитной емкости нагрузки,
приводящими к затягиванию фронтов выходного напряжения
Принцип 1

13.

Принцип 2
Принцип 3

14.

ВРЕМЯ ВКЛЮЧЕНИЯ
справочные данные для 2Т336Б

15.

открывающий ток
верхняя граница времени перезаряда

16.

17.

ВРЕМЯ РАССАСЫВАНИЯ
справочные данные
насыщающий ток базы VT2
рассасывающий ток базы VT2
English     Русский Rules