Послеседиментационные преобразования карбонатных пород
Катагенетические преобразования известняков
Метагенетические преобразования известняков
Перекристаллизация цементирующего кальцита
Перекристаллизованный с полисинтетическими двойниками кальцит
Неравномерно перекристаллизованный кальцит известняка
Деформации полисинтетических двойников кальцита
Регенерационная кайма вокруг пластинки криноидеи
Перекристаллизация пластинки криноидеи в монокристалл с полисинтетическими двойниками
Перекристаллизация сферического органического остатка
Замещение кальцита органических остатков халцедоном
Пластинка криноидеи, частично замещенная халцедоном.
Сульфатизация
Доломитизация органогенного известняка
Образование вторичного пустотного пространства
Трещина, выполненная ОВ
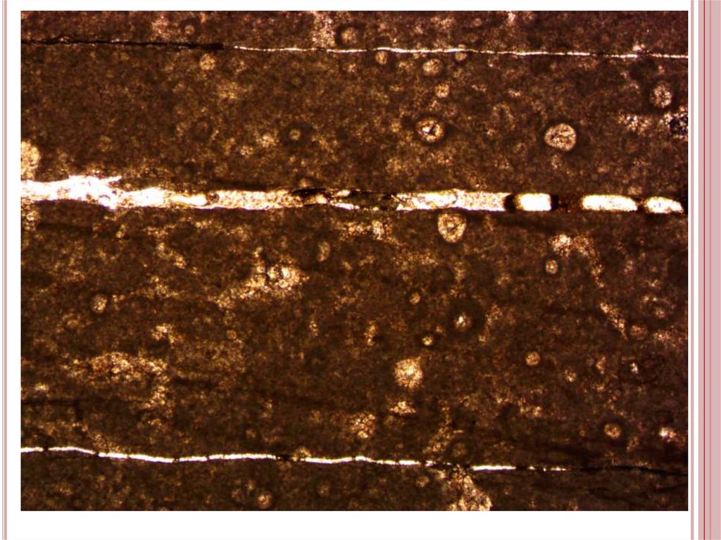
Стилолитизация
28.60M
Category: geographygeography

Послеседиментационные преобразования карбонатных пород

1. Послеседиментационные преобразования карбонатных пород

ПОСЛЕСЕДИМЕНТАЦИОННЫЕ
ПРЕОБРАЗОВАНИЯ КАРБОНАТНЫХ ПОРОД
Карбонатные минералы легче многих других
минералов:
Поддаются коррозии, вплоть до полного
растворения.
Новой кристаллизации, регенерации.
Перекристаллизации (в целом укрупнению зерен),
грануляции.

2.

Хемогенный осажденный кальцит
первоначально имеет размеры не
более 1 мкм.
При диагенезе, катагенезе,
метагенезе происходит
перекристаллизация.
При механическом воздействии
образуются двойники.

3. Катагенетические преобразования известняков

КАТАГЕНЕТИЧЕСКИЕ
ПРЕОБРАЗОВАНИЯ ИЗВЕСТНЯКОВ
Перекристаллизация минеральных агрегатов с
затушевыванием структурных особенностей породы.
Перекристаллизация кальцита органических остатков.
Образование регенерационного цемента (криноидеи).
Может происходить доломитизация известняков.
Образуются некарбонатные и карбонатные
аутигенные минералы: полевые шпаты, каолинит,
халцедон, кварц, пирит, сфалерит, гидроксиды железа,
глауконит, барит, ангидрит, карбонатные минералы.
Может происходить растворение минералов.

4. Метагенетические преобразования известняков

МЕТАГЕНЕТИЧЕСКИЕ
ПРЕОБРАЗОВАНИЯ ИЗВЕСТНЯКОВ
Формирование мраморизованных
известняков.
При перекристаллизации под давлением
возникают механические двойники
давления, изгибы.
От остатков фауны сохраняются реликты.
Изменение пористости, формирование
вторичной пористости.

5. Перекристаллизация цементирующего кальцита

ПЕРЕКРИСТАЛЛИЗАЦИЯ
ЦЕМЕНТИРУЮЩЕГО КАЛЬЦИТА

6. Перекристаллизованный с полисинтетическими двойниками кальцит

ПЕРЕКРИСТАЛЛИЗОВАННЫЙ С
ПОЛИСИНТЕТИЧЕСКИМИ ДВОЙНИКАМИ
КАЛЬЦИТ

7. Неравномерно перекристаллизованный кальцит известняка

НЕРАВНОМЕРНО
ПЕРЕКРИСТАЛЛИЗОВАННЫЙ КАЛЬЦИТ
ИЗВЕСТНЯКА
Без двойников
С двойниками

8. Деформации полисинтетических двойников кальцита

ДЕФОРМАЦИИ
ПОЛИСИНТЕТИЧЕСКИХ ДВОЙНИКОВ
КАЛЬЦИТА
Изогнутые пластинки двойников

9. Регенерационная кайма вокруг пластинки криноидеи

РЕГЕНЕРАЦИОННАЯ КАЙМА ВОКРУГ
ПЛАСТИНКИ КРИНОИДЕИ

10. Перекристаллизация пластинки криноидеи в монокристалл с полисинтетическими двойниками

ПЕРЕКРИСТАЛЛИЗАЦИЯ ПЛАСТИНКИ
КРИНОИДЕИ В МОНОКРИСТАЛЛ С
ПОЛИСИНТЕТИЧЕСКИМИ ДВОЙНИКАМИ
Разные положения пластинки криноидеи

11.

Пластинка криноидеи состоит из
монокристалла с
полисинтетическими
двойниками

12. Перекристаллизация сферического органического остатка

ПЕРЕКРИСТАЛЛИЗАЦИЯ СФЕРИЧЕСКОГО
ОРГАНИЧЕСКОГО ОСТАТКА

13. Замещение кальцита органических остатков халцедоном

ЗАМЕЩЕНИЕ КАЛЬЦИТА ОРГАНИЧЕСКИХ
ОСТАТКОВ ХАЛЦЕДОНОМ

14. Пластинка криноидеи, частично замещенная халцедоном.

ПЛАСТИНКА КРИНОИДЕИ, ЧАСТИЧНО ЗАМЕЩЕННАЯ ХАЛЦЕДОНОМ.

15. Сульфатизация

СУЛЬФАТИЗАЦИЯ

16. Доломитизация органогенного известняка

ДОЛОМИТИЗАЦИЯ ОРГАНОГЕННОГО ИЗВЕСТНЯКА
Доломит

17. Образование вторичного пустотного пространства

ОБРАЗОВАНИЕ ВТОРИЧНОГО
ПУСТОТНОГО ПРОСТРАНСТВА
Пустота

18.

19. Трещина, выполненная ОВ

ТРЕЩИНА, ВЫПОЛНЕННАЯ ОВ
Трещина

20.

21. Стилолитизация

СТИЛОЛИТИЗАЦИЯ
ОПРЕДЕЛЯЮТСЯ:
Тип стилолита.
Ориентировка по
отношению к
напластованию и
текстурным элементам.
Выдержанность
стилолитов.
Амплитуда зубцов
(бугорков).
Материал, заполняющий
стилолитовый шов.
English     Русский Rules