ЛЕКЦИЯ 3
117.32K
Category: industryindustry

Электрические схемы электростанций и подстанций

1. ЛЕКЦИЯ 3

ЭЛЕКТРИЧЕСКИЕ СХЕМЫ
ЭЛЕКТРОСТАНЦИЙ И ПОДСТАНЦИЙ
Разработчик и лектор: к.т.н., профессор кафедры
Электроэнергетика Леньков Юрий Аркадьевич

2.

Упрощенные электрические схемы РУ электрических
станций и подстанций
При небольшом количестве присоединений на стороне
35÷220 кВ применяются упрощенные схемы, в которых обычно
сборные шины отсутствуют. Применение данных схем
позволяет
уменьшить
расход
электрооборудования,
строительных
материалов,
снизить
стоимость
распределительного устройства, ускорить его монтаж. Данные
схемы получили широкое распространение на промышленных
подстанциях.
К данным схемам относятся:
‒ два блока с выключателями и неавтоматической
перемычкой со стороны линий, рисунок 1;

3.

Рисунок 1

4.

Данная схема рекомендуется при напряжении 35 ÷220 кВ на
тупиковых или ответвительных подстанциях с двумя
трансформаторами, получающими питание по двум воздушным
линиям.
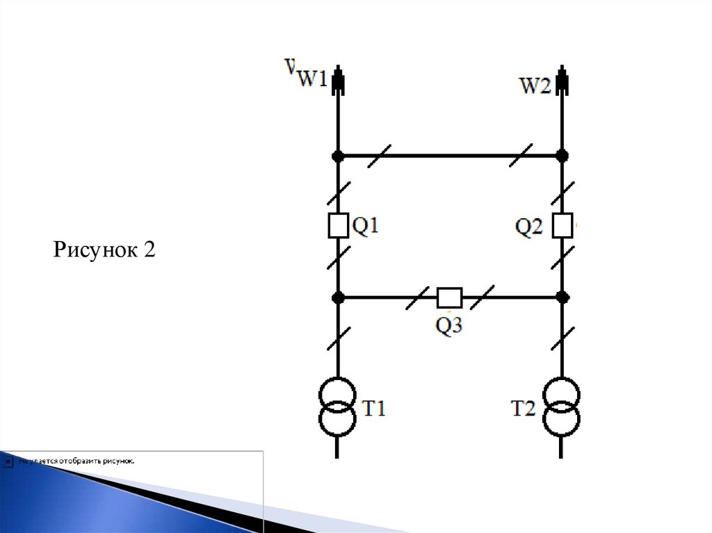
На рисунке 2 приведена схема распределительного
устройства, выполненного по схеме мостика с выключателями в
цепях линий и ремонтной перемычкой со стороны линии.
Данная схема рекомендуется при напряжениях 35 ÷ 220 кВ
для проходных, ответвительных и тупиковых подстанций при
необходимости секционирования линий и трансформаторов
мощностью до 63 МВ·А включительно. Этот вариант схемы
применяется
при
ровном
графике
нагрузки,
когда
трансформаторы все время равномерно загружены и нет
необходимости в частых режимных переключениях.

5.

Рисунок 2

6.

Ремонтная перемычка и перемычка с выключателем на
тупиковых и ответвительных подстанциях в нормальном
режиме работы разомкнуты.
При аварии на одной из линий автоматически отключается
выключатель со стороны поврежденной линии Q1 или Q2 и
включается выключатель Q3, оба трансформатора остаются в
работе.
На проходных подстанциях выключатель Q3 нормально
включен, что позволяет осуществлять транзит мощности.
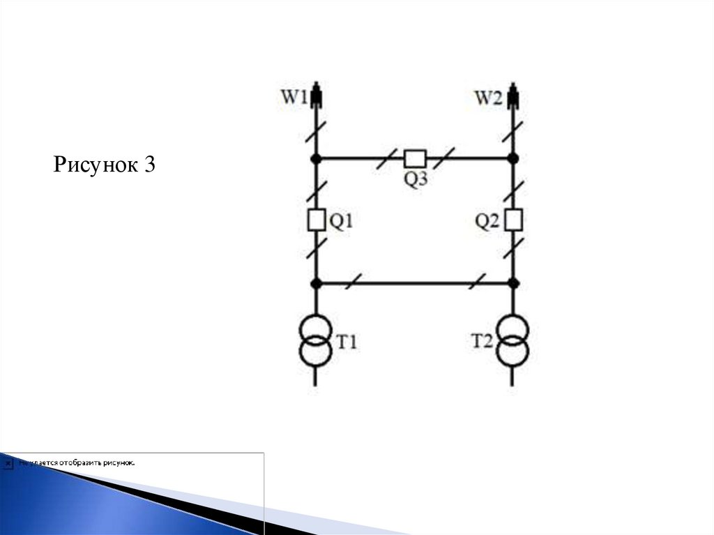
Схема мостика с выключателями в цепях трансформаторов и
ремонтной перемычкой со стороны трансформаторов,
представлена на рисунке 3.

7.

Рисунок 3

8.

Схема рисунок 3 рекомендуется при напряжениях 35 ÷ 220 кВ
для проходных, ответвительных и тупиковых подстанций при
неравномерном суточном графике загрузки трансформаторов
мощностью до 63 МВ·А включительно, когда требуются частые
режимные отключения и включения трансформатора, с целью
уменьшения потерь энергии в них.
На рисунке 4 представлена схема мостика на отделителях и
короткозамыкателях и неавтоматической перемычкой. В
нормальном режиме работы один из разъединителей должен
быть отключен. Перемычка из двух разъединителей
используется при отключении одной из линий.

9.

Рисунок 4

10.

С
English     Русский Rules