Різьбові з’єднання Різьбовими називають такі з’єднання, які виконують за допомогою деталей, що мають різьбу. 
Класифікація різьб, основні геометричні параметри різьби
Різьба може бути нанесена на зовнішню або внутрішню циліндричну чи конічну поверхні – відповідно:
Якщо гвинтову лінію виконано за годинниковою стрілкою,
За числом заходів:
За профілем :
За профілем :
За профілем :
За профілем :
За профілем :
За призначенням :
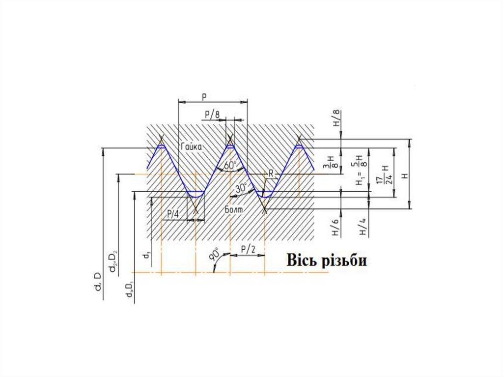
Основні параметри циліндричної різьби: 
Метрична різьба.
Метрична різьба.
Метрична конічна різьба, MK.
Метрична конічна різьба, MK.
Циліндрична різьба, MJ.
Циліндрична різьба, MJ.
Трубна циліндрична різьба, G.
Трубна циліндрична різьба, G.
Трубна конічна різьба, R.
Кругла різьба для санітарно-технічної арматури, Кр.
Трапецеїдальна різьба, Tr.
Трапецеїдальна різьба, Tr.
Упорна різьба, S.
Упорна різьба, S.
Різьба Едісона кругла, E.
Дюймова циліндрична різьба, UTS.
Дюймова циліндрична різьба, UTS.
Дюймова різьба, BSW.
Болт 3М12х1,25LH-6gx50.58.C.019 ДСТУISO 4016:2007
Болт 3М12х1,25LH-6gx50.58.C.019 ДСТУISO 4016:2007
Болт 3М12х1,25LH-6gx50.58.C.019 ДСТУISO 4016:2007
Болт 3М12х1,25LH-6gx50.58.C.019 ДСТУISO 4016:2007
Болт 3М12х1,25LH-6gx50.58.C.019 ДСТУISO 4016:2007
6.18M
Category: mechanicsmechanics

Різьбові з’єднання

1. Різьбові з’єднання Різьбовими називають такі з’єднання, які виконують за допомогою деталей, що мають різьбу. 

2. Класифікація різьб, основні геометричні параметри різьби

3.

В
залежності
від
того,
на
виготовлено різьбу, розрізняють різьби:
циліндрична
конічна
якій
поверхні

4. Різьба може бути нанесена на зовнішню або внутрішню циліндричну чи конічну поверхні – відповідно:

зовнішня
внутрішня

5. Якщо гвинтову лінію виконано за годинниковою стрілкою,

– різьба права
а навпаки - ліва

6. За числом заходів:

однозахідна
багатозахідна

7. За профілем :

трикутна
метрична
дюймова

8. За профілем :

трапецієподібна

9. За профілем :

упорна

10. За профілем :

кругла

11. За профілем :

прямокутна

12. За призначенням :

кріпильні
ходові
спеціальні

13. Основні параметри циліндричної різьби: 

Основні параметри циліндричної
різьби:

14.

15.

Основні типи різьб, їх характеристики.

16.

17. Метрична різьба.

Має широке застосування з номінальним
діаметром від 1 до 600 мм і кроком від 0,25 до
6 мм.
Профіль - рівносторонній трикутник (кут
при вершині 600 ) з теоретичною висотою
профілю Н = 0,866025404 Р .
Усі параметри профілю вимірюються в
частках метра (міліметрах).

18. Метрична різьба.

Стандартизована.
Умовне позначення:
Буква M (metric), числове значення номінального діаметра різьби
(d, D на схемі, воно ж і зовнішній діаметр різьби на болті) в
міліметрах, числове значення кроку (для різьби з дрібним кроком) і
букви LH для лівої різьби.
Наприклад, різьба з номінальним діаметром 16 мм із великим
кроком позначається як M16; різьба з номінальним діаметром 36 із
дрібним кроком 1,5 мм - М36х1, 5; така ж по діаметру і кроку, але ліва
різьба
М36х1, 5LH

19. Метрична конічна різьба, MK.

Конусність 1:16 (кут конуса φ = 3 34'48 ")
Призначена для забезпечення герметичності і
стопоріння різьби без застосування додаткових
засобів.
Існує два варіанти різьбового конічного з'єднання:
конічна зовнішня різьба з конічною внутрішнім
різьбою;
конічна зовнішня різьба з циліндричною внутрішнім
різьбою.

20. Метрична конічна різьба, MK.

Стандартизована.
Умовне позначення:
Літери MK, числове значення номінального
діаметра різьби в міліметрах, числове значення
кроку, літери LH для лівої різьби.
Наприклад, різьба з номінальним діаметром 24
мм із кроком 1,5 мм позначається як
MK 24x1, 5.

21. Циліндрична різьба, MJ.

Циліндрична
різьба
заснована
на
метричній
різьбі (М) із номінальним діаметром від 1,6 до 200 мм і
кутом профілю при вершині 600, призначена для
аерокосмічної техніки та інших застосувань, вимагає
високої втомної міцності і жароміцності.
Для забезпечення цих властивостей западина різьби
на зовнішньому різьбленні повинна мати збільшений
радіус від 0,15011 P до 0,180424 P. Внутрішня
різьба MJ - сумісною із зовнішньою різьбою M при збігу
номінального діаметра і кроку.

22. Циліндрична різьба, MJ.

Умовне позначення: літери MJ, числове значення
номінального діаметра різьби в міліметрах, числове
значення кроку, поле допуску середнього діаметра і
поле допуску діаметра виступів.
Наприклад,
зовнішня
різьба
з
номінальним
діаметром 6 мм, кроком 1 мм, полем допуску середнього
діаметра 4h і полем допуску діаметра виступів
6h ​позначається на поверхні вала як
MJ6x1-4h6h.

23. Трубна циліндрична різьба, G.

Дюймова
різьба
заснована
на
різьбленні BSW (British Standard Whitworth) і
відповідає різьбленню BSP (British standard
pipe thread), має чотири значення кроків
28,19,14,11 ниток на дюйм. Кут профілю при
вершині 550 , теоретична висота профілю Н =
0,960491 Р.

24. Трубна циліндрична різьба, G.

Стандартизована.
Умовне позначення: буква G, числове
значення умовного проходу труби в дюймах
(inch), клас точності середнього діаметра (А,
В), і літери LH для лівої різьби. Наприклад,
різьба з номінальним діаметром 11 / 8 ", клас
точності А - позначається як
G 11/8" - A.

25. Трубна конічна різьба, R.

Дюймова різьба з конусністю 1:16 (кут конуса φ = 3
34'48 "). Кут профілю при вершині 550, теоретична висота
профілю Н = 0,960491 Р.
Стандартизована.
Умовне позначення: буква R для зовнішньої різьби і
Rc для внутрішньої, числове значення номінального
діаметра різьби в дюймах (inch), літери LH для лівої
різьби. Наприклад, різьба з номінальним діаметром 11 / 4
"- позначається як:
R 11 / 4".

26. Кругла різьба для санітарно-технічної арматури, Кр.

Профіль круглої різьби утворений колами на вершинах і
западинах, сполученими прямими з кутом профілю при вершині
300. Різьба застосовується для шпинделів, вентилів, змішувачів,
туалетних і водопровідних кранів.
Стандартизована.
Умовне позначення круглої різьби: літери Кр, номінальний
діаметр різьби, крок і позначення стандарту.
Kр 24x1, 5.

27. Трапецеїдальна різьба, Tr.

Метрична різьба з кутом профілю при
вершині 300, теоретична висота профілю
Н = 0,866 Р.
Використовується в гвинтовій передачі
Стандартизована

28. Трапецеїдальна різьба, Tr.

Умовне позначення однозахідного різьблення: буква
Tr (trapezoidal), числове значення номінального діаметра
різьби в міліметрах, числове значення кроку, літери LH
для лівої різьби та позначення поля допуску. Наприклад,
однозахідна зовнішня різьба з номінальним діаметром
50 мм із кроком 8 мм позначається як
Tr50х8-7е;
така ж по діаметру і кроку, але ліва різьба
Tr50х8LH-7е.

29. Упорна різьба, S.

Упорна різьба, S.
Метрична різьба з кутом нахилу бічних
сторін профілю 300 і 30
Стандартизована, її застосовують як
ходову при значних односторонніх зусиллях
наприклад в домкратах, пресах і т. п.

30. Упорна різьба, S.

Упорна різьба, S.
Умовне позначення різьби: буква S, числове значення
номінального діаметра різьби в міліметрах, числове значення
кроку, літери LH для лівої різьби та позначення поля допуску,
S80×10-7h
Умовне позначення багатозахідного різьблення: буква S,
числове значення номінального діаметра різьби в міліметрах,
числове значення ходу, в дужках Р із числовим значенням кроку,
літери LH для лівої різьби та позначення поля допуску.
S24x3 (P1.5) LH- 6H

31. Різьба Едісона кругла, E.

Застосовується
для
виробів
(наприклад,
розжарювання).
електротехнічних
цоколь
лампи
Стандартизована.
Умовне позначення різьби: буква E, номер
різьблення, якщо різьблення для неметалічних
елементів буква N через похилу риску (/)номер
і стандарт.
E 27
E 27 / N.

32. Дюймова циліндрична різьба, UTS.

Дюймова циліндрична різьба,
UTS.
UTS (Unified Thread Standard) - дюймова
циліндрична різьба, широко поширена в США
і Канаді. Кут при вершині 600, теоретична
висота профілю H = 0,866025 P.
Залежно від кроку поділяється на:
UNC (Unified Coarse); UNF (Unified Fine);
UNEF (Unified Extra Fine); 8UN; UNS (Unified
Special).

33. Дюймова циліндрична різьба, UTS.

Дюймова циліндрична різьба,
UTS.
Умовне позначення різьби UNC (Unified Coarse):
зовнішній діаметр в дюймах, число ниток (витків) на один
дюйм, тип різьби (уніфікована крупна різьба)
5/16'' – 18 UNC

34. Дюймова різьба, BSW.

Дюймова різьба, BSW.
BSW (British Standard Whitworth) - дюймова різьба.
Є Британським стандартом, запропонована Джозефом
Вітуортом (Joseph Whitworth)у 1841 році, кут при
вершині
550,
теоретична
висота
профілю
H = 0,960491 P.
Умовне позначення різьби (гайка): зовнішній
діаметр в дюймах, тип різьби (крупна різьба)
7/16" BSW
Різьба з дрібним кроком називається BSF (British
Standard Fine).
7/16" BSF

35.

Стопорні улаштування.

36.

При
затягуванні
контргайки
стрижень
болта
розтягується і під дією сил пружності в різьбі створюється
додаткове тертя. Цей спосіб стопоріння використовується
в основному в стаціонарних конструкціях, так як
збільшується маса з’єднання.

37.

Для стопоріння використовують пружинні
шайби.
Сили пружності шайби при затягуванні
гайки створюють сили тертя в різьбі. Зчеплення
між гайкою і шайбою забезпечується, крім того,
за рахунок урізування гострих кромок шайби в
гайку і базову поверхню.

38.

Для виключення вигину болта використовують шайби
стопорні з зовнішніми або внутрішніми зубами.
У цьому випадку сумарна результуюча осьова сила
від гайки діє на болт без осьового зсуву і болт працює
тільки на розтягання. Стопоріння пружинними шайбами
не
є
високонадійним
невідповідальних з'єднаннях.
і
використовується
в

39.

У авіа- і транспортному машинобудуванні
використовують контргайки, в яких тертя в
різьбі виникає за рахунок радіального натягу.
У верхній частині гайка має прорізи. Після
нарізування різьби верхню частину гайки
обжимають, зменшуючи діаметр.

40.

Гайка
має
всередині
завальцьоване
поліамідне кільце, в якому різьбу не
нарізають,
а
вона
утворюється
нагвинчуванні гайки на болт.
при

41.

Стопоріння
шплінтом
з
корончастою
гайкою використовують в з'єднаннях без контрольованої
затяжки.

42.

Різьбові деталі, розташовані на краю корпусу,
фіксуються стопорними шайбами
з лапками.
Одну лапку відгинають на край корпусу, а дві
інших на грані гайки.

43.

Групові нарізні сполучення можна стопорити
спеціальними шайбами попарно
або обв'язкою дротом, пропущеної через отвори з
натяжкою в сторону загвинчування гайки

44.

З'єднання, що не піддаються розбиранням,
можна стопорити пластичним деформуванням
Різьбові ненавантажені з'єднання стопорять за
допомогою фарби, лаку, клею.

45.

Класи міцності та матеріали
різьбових деталей.

46.

Для
деталей
виготовлення
кріпильних
використовують
сталі:
різьбових
вуглецеві
звичайної якості, якісні конструкційні та леговані
конструкційні.
Механічні властивості сталевих кріпильних
деталей нормуються за стандартом, згідно з яким
болти, гвинти та шпильки поділяють на 12 класів
міцності, а гайки – на 7 класів.

47.

Клас
міцності
болтів,
гвинтів
та
шпильок
позначається двома числами, розділеними крапкою.
Перше число, помножене на 100, визначає мінімальне
значення границі міцності σΒ, МПа, матеріалу болта,
а друге число, поділене на 10 і помножене на σΒ, дає
границю текучості матеріалу болта.
Наприклад, для болта класу міцності 5.6 маємо:
σΒ mіn = 5 · 100 = 500 МПа;
σT = (6/10)·500 = 300 МПа.

48.

Приклад умовного позначення
різьби болта
Болт3М12х1,25LH-6gx50.58.C.019
ДСТУISO 4016:2007

49. Болт 3М12х1,25LH-6gx50.58.C.019 ДСТУISO 4016:2007

Болт - назва кріпильної деталі;
В - клас точності болта (всього прийнято три класи
точності: А, В і С; найточніший - клас А); в даному
прикладі клас точності не вказується, так як він
продиктований вказаним далі стандартом - за цим
стандартом болти не можуть бути іншого класу точності,
окрім В;

50. Болт 3М12х1,25LH-6gx50.58.C.019 ДСТУISO 4016:2007

3 ― виконання болта (залежно від стандарту може бути
від 1-го до 4-х виконання; якщо виконання не вказано в
позначенні болта ― то це означає, що застосовується
виконання 1 ― цифра "1" не вказується);
М ― вид різьби (залежно від стандарту може бути різьба:
М ― метрична; К ― конічна; Тр ― трапецеїдальна);
12 ― номінальний діаметр різьби болта в міліметрах, мм;

51. Болт 3М12х1,25LH-6gx50.58.C.019 ДСТУISO 4016:2007

1,25 - крок різьби болта (якщо крок різьби великий
(основний), то він не вказується; вказується тільки
дрібний і особливо дрібний крок різьби в міліметрах, мм в даному прикладі крок різьби 1,25 мм є дрібним для
різьби М12, тому що великий основний крок для різьби
М12 це 1,75 мм);
LH ― позначення напрямку нарізки різьби ― ліва різьба
(якщо різьба має правий напрямок нарізки (основне), то
напрямок нарізки не вказується);

52. Болт 3М12х1,25LH-6gx50.58.C.019 ДСТУISO 4016:2007

6g - поле допуску різьби - визначає клас точності
виготовлення різьби (буває точний, середній, грубий клас позначається цифрами від 4 до 8 з латинськими літерами;
точний клас - 4, грубий клас - 8);
50 - довжина болта в міліметрах, мм;
58 ― клас міцності болта (точку між цифрами у
позначенні не ставлять); затверджений ряд міцності для
болтів з вуглецевих сталей містить 11 класів міцності:
позначаються 36; 46; 48; 56; 58; 66; 68; 88; 98; 109; 129);

53. Болт 3М12х1,25LH-6gx50.58.C.019 ДСТУISO 4016:2007

С - вказівка ​про застосування спокійної (С) або автоматної
(А) сталі - для болтів класу міцності до 6.8; для болтів
класів міцності 8.8 і вище, а також для болтів із легованих
та спеціальних сталей та сплавів, у цьому місці вказується
застосовувана марка сталі або сплаву;
01

цифрове
позначення
виду
покриття;
використовуються позначення номерів покриттів від 01 до
13;
9 ― товщина покриття в мікронах, мкм

54.

Типи різьбових з’єднань.

55.

залежно від характеру навантаження і способу збирання
поділяють на ненапружені (зібрані без попереднього
затягування)
і
напружені
(зібрані
з
попереднім
затягуванням);
залежно
від
призначення
розрізняють
з’єднання міцні, міцно-щільні та спеціальні;
залежно від кількості болтів розрізняють з’єднання
з одиноким болтом і групові. У групових з’єднаннях
можливий
рівномірний
навантаження.
і
нерівномірний
розподіл

56.

за конструкцією:

57.

болтове, складається з болта 1, гайки 2 і шайби 3

58.

гвинтове, яке складається з гвинта 4 і шайби 3, або без
неї і деталі 1, в якій нарізана різьба

59.

шпилькове – з шпильки 1, гайки 2 і шайби 3, деталі 4,
в якій нарізана різьба

60.

До
переваг
відносяться:
технологічність;
взаємозамінність;
універсальність;
надійність;
масовість.
різьбових
з'єднань

61.

До недоліків різьбових з'єднань слід віднести:
самовідґвинчування
навантаженнях,
що
при
перемінних
вимагає
застосування
спеціальних засобів стопоріння.
отвори
під
концентрацію
кріпильні
деталі
напружень
викликають
у
матеріалі
(герметизації)
з'єднання,
скріплюваних деталей.
для
ущільнення
необхідно використовувати додаткові технічні
рішення.

62.

Розрахунок болта на міцність при
постійному навантаженні.
English     Русский Rules