307.97K
Category: industryindustry
Similar presentations:

«Разработка и оформление технологической документации

1.

Практическое занятие «Разработка и
оформление технологической
документации»
Дисциплина: Технология
машиностроения

2.

Цель занятия: Ознакомиться с форменной
технологической документацией согласно ЕСКД,
научиться анализировать структуру станочной
операции.
Используемое оборудование:
1. Учебно-методическое пособие.
2. Бланк маршрутной карты ГОСТ 3.1118-82. Форма 1, 1б.
3. Бланк операционной карты ГОСТ 3.1404-86. Форма 3, 2а.
4. Бланк карты эскизов ГОСТ 3.1105-84. Форма 7, 7а.
5. Пример заводской технологической документации.
6. Тетрадь для письменных отчетов.

3.

маршрутная карта
ГОСТ 3.1118-82.
форма 1

4.

2
Коковихина М.А.
Шмакова Л.В.
КАТ
206406
Втулка
кг 0,44
1

100
Заготовительная
0,8
0,7
Прокат
А
Заг
А
Б
Токарно-револьверная
Мех
105
Токарно-револьверный мод. 1341
А
Мех
Б
110
ПР
Прокат ГОСТ 7117-75
М01 Сталь 30ХГСА ГОСТ 4543-71
М02
1
Ø50
1 0,66
Токарь 3
1
1
1 100
10
Токарь 4
1
1
1 100
15
Слесарь
1
1
1 100
5
Токарная
Токарный мод 16К20
А
Терм
115
Термическая
А
Мех
120
Слесарная
Б
Верстак
3
1

5.

маршрутная карта
(продолжение)
ГОСТ 3.1118-82.
форма 1б

6.

2
206406
А
Б
Мех
125
Моечная
Ванна
А
Мех
Б
Стол контрольный
А
Гал
130
135
Контрольная
Промывщик
3
1
1
1 100
5
Контролер
5
1
1
1 100
30
Хим. окс. прм
2

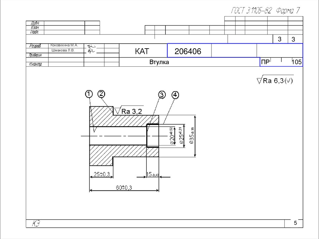
7.

карта эскизов
ГОСТ 3.1105-84,
форма 7

8.

3
3
Коковихина М.А.
Шмакова Л.В.
КАТ
206406
Втулка
ПР
105
5

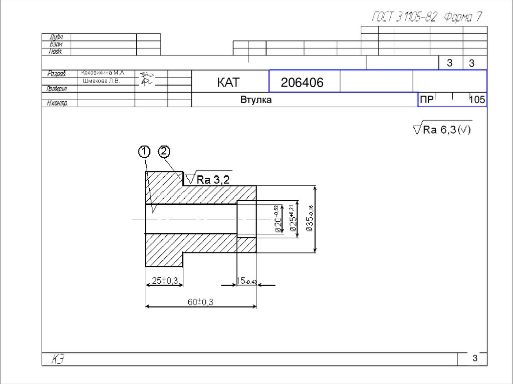
9.

3
Коковихина М.А.
Шмакова Л.В.
КАТ
3
206406
Втулка
ПР
105
5

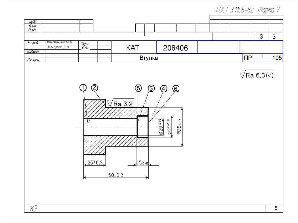
10.

3
Коковихина М.А.
Шмакова Л.В.
КАТ
3
206406
Втулка
ПР
105
5

11.

3
Коковихина М.А.
Шмакова Л.В.
КАТ
3
206406
Втулка
ПР
105
3

12.

3
Коковихина М.А.
Шмакова Л.В.
КАТ
3
206406
Втулка
ПР
105
5

13.

3
Коковихина М.А.
Шмакова Л.В.
КАТ
3
206406
Втулка
ПР
105
5

14.

3
Коковихина М.А.
Шмакова Л.В.
КАТ
3
206406
Втулка
ПР
105
5

15.

3
Коковихина М.А.
Шмакова Л.В.
КАТ
3
206406
Втулка
ПР
105
5

16.

3
Коковихина М.А.
Шмакова Л.В.
КАТ
3
206406
Втулка
ПР
105
5

17.

Операционная карта
ГОСТ 3.1404-86,
форма 3

18.

3
Коковихина
КАТ
Шмакова Л.В.
1
206406
Втулка
ПР
105
ЕВ
Токарно-револьверная
Сталь 30ХГСА
Токарно-револьверный мод1341
кг 0,44
Ø50
10
0,66 1
СОТС
Р
О
Т
мм/об об/мин м/мин
мм
мм мм
При выполнении операции необходимо соблюдать требования охраны труда согласно
ИОТ применяя средства индивидуальной защиты
О
Т
А
Патрон 3кул., Кулачки
О
Т
Р
1. Сверлить отв. 1
Патрон сверлильный; Сверло 20,2 ГОСТ 1015-85 Р6М5; Пробка 20Н14
60
10
0,1
1
Ø20
О
2. Подрезать торец 6
Резцедержатель; Резец подрезной ГОСТ1020-86 Т15К6; ШЦI 125-0,1
Т
3000
190
3

19.

Операционная карта
(продолжение)
ГОСТ 3.1404-86,
форма 2а

20.

2
206406
105
Р
мм
мм
мм
Р
Ø50
50
1,5
2
мм/об об/мин м/мин
0,1
1000 200
О
Т
Р
3. Точить поверх. 5, подрезать торец 2 предварительно
Резцедержатель; Резец проходной ГОСТ 2020-73 Т15К6
Ø50
34
3
2
0,1
О
Т
Р
4. Расточить отв. 4, подрезать торец 3
О
Т
Р
5. Точить поверх. 5, подрезать торец 2 окончательно
Резцедержатель; Резец проходной ГОСТ2020-73 Т15К6; Скоба35h11
О
Т
Р
6. Притупить острые кромки в пределах 0,1…0,4 мм
1000
200
Резцедержатель; Резец расточной ГОСТ2310-75 Т15К6; Пробка25Н12 Глубиномер15h14 спец
Резцедержатель; Резец подрезной ГОСТ1020-86 Т15К6
4
English     Русский Rules