6.16M
Category: electronicselectronics
Similar presentations:

Комбинированное устройство сигнализации о нарушении защищаемого периметра

1.

Комбинированное устройство сигнализации о
нарушении защищаемого периметра
Выполнил студент группы 113371
Шер И. А.
Научный руководитель - кандидат технических наук, доцент кафедры
ПИКС Боровиков Сергей Максимович

2.

Цель дипломного
проекта :
Разработка конструкции
устройства охранной
сигнализации и уведомления о
взломе по телефонной линии.

3.

Актуальность дипломного
проекта :
Существует широкий ассортимент
отечественных и зарубежных пери
метровых охранных технических
средств, которые, за редким
исключением, основаны на одинаковых
физических принципах работы,
различаясь главным образом
конструктивным исполнением и
стоимостью.

4.

Аналоги разрабатываемого устройства
Устройство охран ной
сигнализации с функцией
передачи сигнала тревоги на
компьютеризиро ванное
устройство пользователя
Устройство охранной
сигнализации

5.

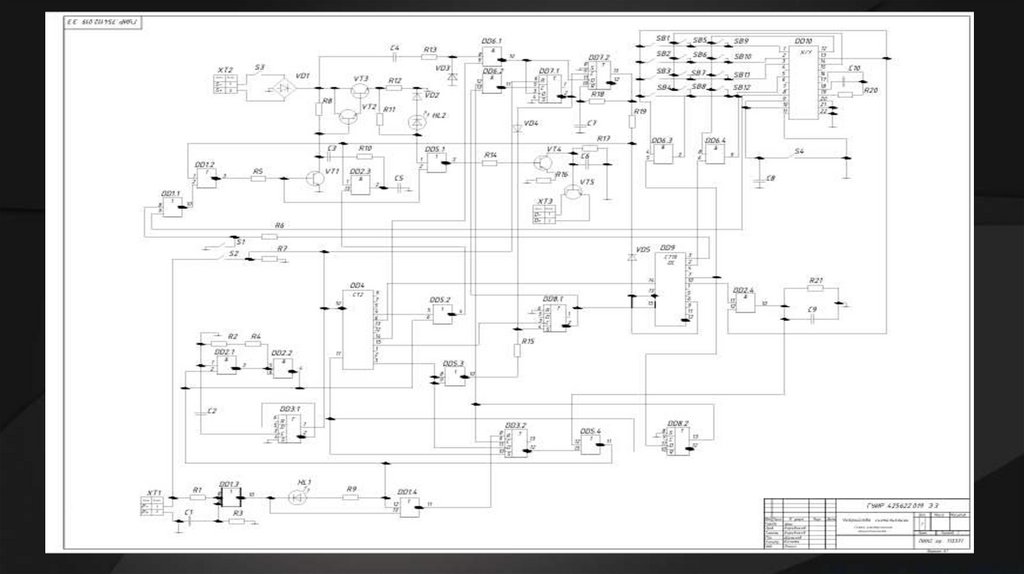
Принцип работы разрабатываемого
устройства
Предлагаемая
система
охранной
сигнализации
представляет собой само стоятельное устройство,
которое на время охраны квартиры подключают к те
лефонной линии вместо основного телефонного аппарата.
Охранным датчи ком (или датчиками) служат пружинящие
контакты, вмонтированные в проем 11 входной двери,
срабатывающие при их размыкании. Функцию индикатора
со стояния контактов датчика выполняет светодиод HL2.
Цифровая часть си стемы состоит из контроллера
охраны, аналогичного предложенному в, фор мирователяраспределителя управляющих сигналов, узла блокировки
автодо звона, узла сопряжения с телефонной линией,
наборного узла и узла управле ния внешним
сигнализатором.

6.

Название слайда
Текст презентации

7.

8.

Корпус проектируемого изделия
Выбор корпуса, его конструкции, во многом
определяет надежную ра боту изделия в
заданных условиях эксплуатации. Так как
небольшой вес один 26 из важных
показателей, то корпус будет изготавливаться
из пластика: поли стирол ПСМ – 115 ГОСТ
20282–86, светло-серый ОСТ6 – 05 – 406 – 80.
К тому же пластик более легок в обработке.
Также одним из главных преимуществ
пластика является его цена. При большом
объеме выпуска изготовление пресс форм
обходится дешевле.

9.

Результаты расчёта
компоновочных характеристик
Площадь печатной платы
Установочный объем печатной платы
Масса печатной платы

10.

Расчет теплового режима
Таким образом, выбранная конструкция корпуса устройства, реализующая
естественный способ охлаждения посредством воздушной конвекции, не требует
доработок или внедрения дополнительных методов теплоотвода.
На основе проведенного анализа результатов можно сделать вывод, что в условиях
эксплуатации, обеспечивается стабильный тепловой режим работы разрабатываемого
устройства.

11.

Расчет показателей надежности
Данное РЭУ предназначено для защиты охраняемого периметра от про никновения.
Печатная плата однослойная с металлизироваными сквозными отверстиями. Общее
количество отверстий на печатной плате 223, из них металлизацию имеют 219 отверстий.
Также имеется контактные плащидки в количесвте 103. Заданное время работы примем
равным 1000 часов.

12.

13.

14.

15.

Заключение
В ходе выполнения проекта была разработана конструкция комбиниро ванного устройства,
интегрирующего функции охранной сигнализации и си стемы оповещения о несанкционированном
проникновении с использованием телефонной линии для передачи уведомлений.

16.

Спасибо за внимание!
English     Русский Rules