317.22K
Category: mechanicsmechanics

EMT va komplekslari asinxron motorlari minimum reaktiv quvvat iste’moli ish rejim mezoni

1.

Andijon mashinasozlik instituti
Elektrotexnika fakulteti Elektr energetikasi
Yo’nalishi 340-19-guruh talabasi
Bozorboyeva Muhtasarning Energiya
tejamkorligi asoslari fanidan tayyorlagan
MUSTAQIL ISHI

2.

Mavzu: EMT va komplekslari asinxron motorlari minimum reaktiv
quvvat iste’moli ish rejim mezoni.
Reja:
1. Asinxron motorli elektromexanik tizim va komplekslarda
minimum reaktiv quvvat iste’moli ish rejimi.
2.
Asinxron motorli elektromexanik tizim va komplekslarda
minimum reaktiv quvvat iste’moli ish rejimini joriy qilish
mezonlari va vositalari.
3.
EMT va komplekslari asinxron motorlari minimum reaktiv
quvvat iste’moli ish rejim mezoni.
4. Xulosa.

3.

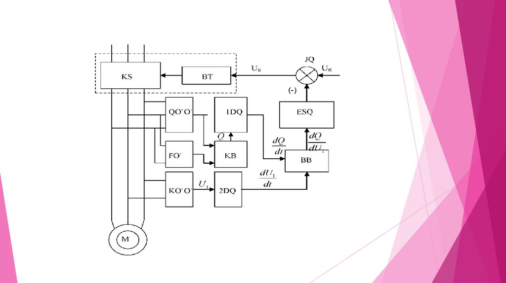
Ma’lumki nasos qurilmalari elektr yuritmalarining asinxron
motorlari butun ish rejimi davomida valida nominal yuklanish bilan
ishlamaydi. Ularning real yuklanganlik darajasi yuklanishning
nominal qiymatiga nisbatan 0,3 ÷1,0 oraliqda o'zgaradi. Yuklanish
momentining nominal qiymatidan kam bo'lishi, motorning
tarmoqdan iste’mol qilayotgan reaktiv quvvatining oshishiga olib
keladi va natijada motorning quvvat koeffisienti pasayadi. Asinxron
motor reaktiv quvvati Q ni motor validagi yuklanish momenti bilan
o'zaro bog'lab, minimal qiymatiga keltirib avtomatik boshqarish
asinxron elektr yuritmalarda energiya tejamkorlikka erishishning
asosiy yo'nalishlaridan biridir.

4.

Asinxron motor ishlayotgan vaqtida stator chulg'ami
kuchlanishining chastotasi f = 50 Gs = const ekanligini va
yuklanish momenti yoki quvvati nominal qiymatidan
kichik ekanligini hisobga oladigan bo'lsak, u holda motor
magnit tizimining to'yinmagan rejimida ishlayotgan bo'ladi
va motor magnitlanish tavsifining to'g'ri chiziqli qismida
ishlaydi. Shunda stator chulg'amiga berilayotgan
kuchlanish U1 bilan magnit oqimi o'rtasidagi o'zaro
bog'lanishni chiziqli deb qarash mumkin bo'ladi va
ularning nisbiy qiymatlarini o'zaro teng deb olinadi
φ= γ

5.

bu yerda, ф = F/Fn - magnit oqimining nisbiy qiymati,
γ=
English     Русский Rules