1.76M
Category: industryindustry

Чемпионат кейсов

1.

ЧЕМПИОНАТ КЕЙСОВ
Исследование проблем износостойкости в
эксплуатации цепевязальной оснастки из
твёрдых сплавов

2.

ЦЕЛЬ КЕЙСА
Исследовать проблему износостойкости в эксплуатации
цепевязальной оснастки из твёрдых сплавов
ОЖИДАЕМЫЙ РЕЗУЛЬТАТ
1.Технология изготовления цепевязальной оснастки
с высокой износостойкостью (с большим ресурсом
эксплуатации)
2.Изготовить комплекты пинцетов и фасонов для
П130,с помощью которого отвяжут более 30 кг
полотна

3.

4.

5.

Сколы и трещины
Откол пупса ~70%
Расслоение ~20%
Происходит и на покупной оснастке
Вероятные причины:
1) Неверная технология пайки
2) Неверная марка твёрдого сплава
3) Неверная геометрия
Вероятные причины:
1) Неверная технология пайки
2) Неверная марка твёрдого сплава
3) Затыловка пинцетов на прошивке
НАГЛЯДНЫЙ МАТЕРИАЛ КЕЙСА
Хрупкий излом
на монолитных
фасонах серии «Н» ~10%
Вероятные причины:
1) Неверная технология прошивки фаски
2) Неверная марка твёрдого сплава

6.

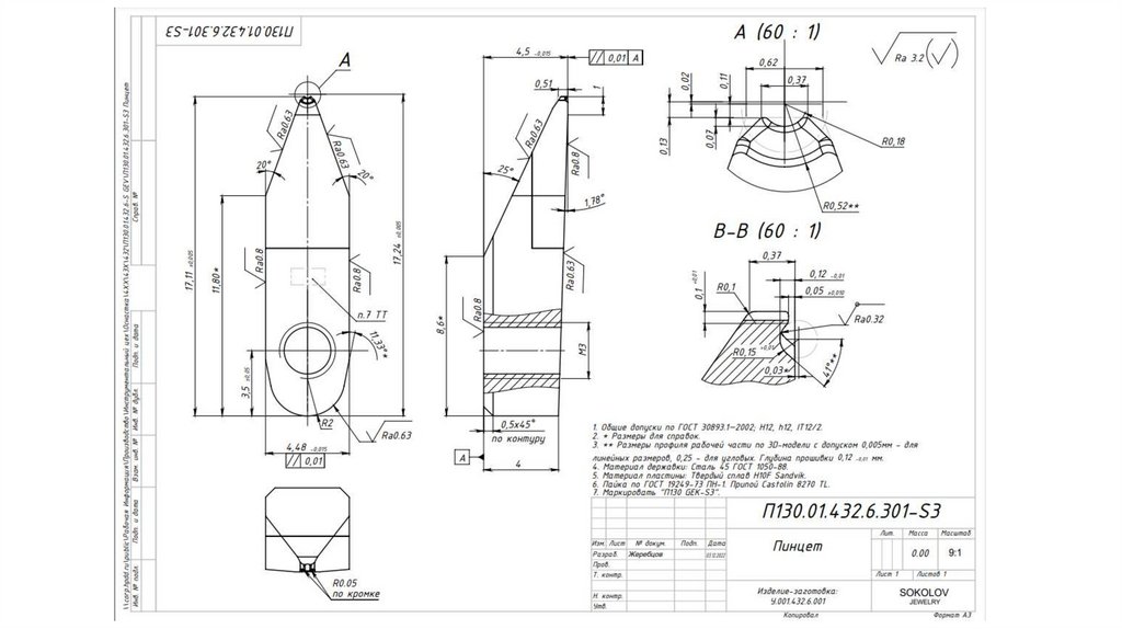
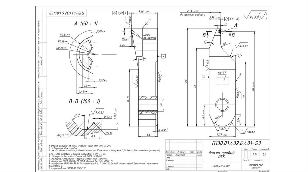
СОДЕРЖАНИЕ КЕЙСА
Для станочной вязки цепей необходима оснастка (пинцеты и
фасоны). Инструментальный цех совместно с Конструкторскотехнологическим отделом успешно изготавливают эту оснастку,
но
столкнулись
со
значимой
проблемой:
низкая
износоустойчивость, маленький ресурс эксплуатации.
Различают 3 вида заготовок для оснастки: из порошковой стали
(CPOH+); комбинированная (сталь 45+H10F); монолитная
(H10F).
Проблема
возникает
при
использовании
оснастки,
изготовленной из комбинированной заготовки – трещит
скалывается твёрдосплавная часть:
1). Так как комбинированная заготовка изготавливается путём
пайки ТВЧ или ацетиленовой пайки есть предположение, что
проблема в пайке (гипотеза не подтверждена опытами).
2) Так как оснастка вырезается и прошивается эрозионными
станками возникает гипотеза, что при данном виде обработки
возникает излишнее напряженность металла, что приводит к
разрушению кристаллической решётки твёрдого сплава.

7.

ДАВАЙТЕ ОБСУДИМ!
КУРАТОР ПРОЕКТА: МАКСИМ ПОПАДЮК
КОНТАКТНЫЙ ТЕЛЕФОН: 8 910 190 -15 -43
maksim.popadyuk@uvelit.ru
English     Русский Rules