959.50K
Category:
physics
Similar presentations:
Комплектные трансформаторные подстанции 6(10)/ 0,4 кв
Оборудование для заземления нейтрали в сетях 6-35 кВ
Перенапряжения при ОДЗЗ в сетях 6-35 кВ (2)
Реконструкция подстанции 110/10 кВ «Крымская ПТФ»
Магнитные цепи постоянного и переменного тока. Лекция 6
Перенапряжения при однофазных дуговых замыканиях на землю в сетях 6–35 кВ
Схемы присоединения к сети понижающих подстанций 35-220 кВ
Постоянный ток. Лекция №6
Реконструкция систем электроснабжения и релейной защиты подстанции 110/10 кВ «Иваново»
Постоянный электрический ток. (Лекция 6)
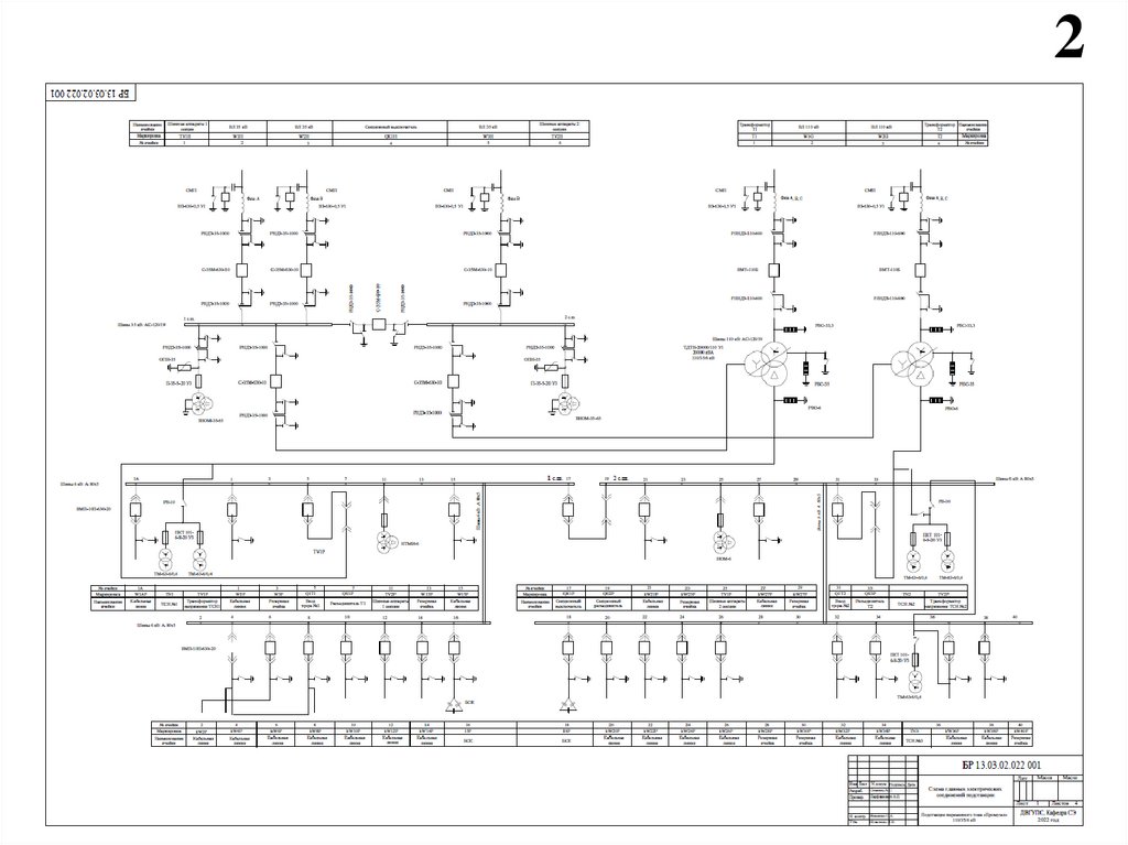
Подстанция переменного тока «Промузел» 110/35/6 кВ
1.
1
Подстанция переменного тока
«Промузел» 110/35/6 кВ
Студент Семенец А.С.
Руководитель ВКР Парфианович А.П.
2.
2
3.
3
4.
4
5.
5
6.
6
Доклад окончен!
Спасибо за внимание!
English
Русский
Rules