1.30M
Category: draftingdrafting

Тема 2. Основные правила нанесения размеров

1.

Основные правила
нанесения
размеров

2.

Правила нанесения размеров
(ГОСТ 2.307-68)
Размер — число,
характеризующее
величину отрезка
прямой или
величину угла.

3.

4.

Нанесение размеров

5.

Обозначение размеров

6.

Стрелки размерной линии

7.

Требования к нанесению размеров

8.

Расположение размерных чисел линейных
размеров при различных наклонах размерных
линий

9.

Символьные обозначения

10.

11.

12.

Последовательность нанесения
размеров
А – размеры конструктивных элементов;
Б – координирующие размеры;
В – габаритные размеры.

13.

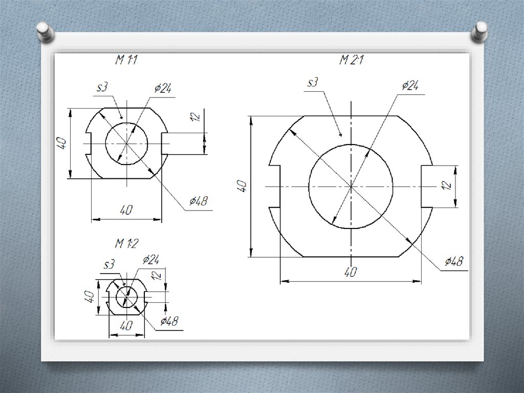
Самостоятельная работа
Вариант 1
Вариант 2
По эскизу определите размеры плоской детали и начертите в М 2:1
;М1:1; М1:2 Нанесите размеры. Толщина деталей: Вариант 1 –
8мм; Вариант 2 - 5мм
English     Русский Rules